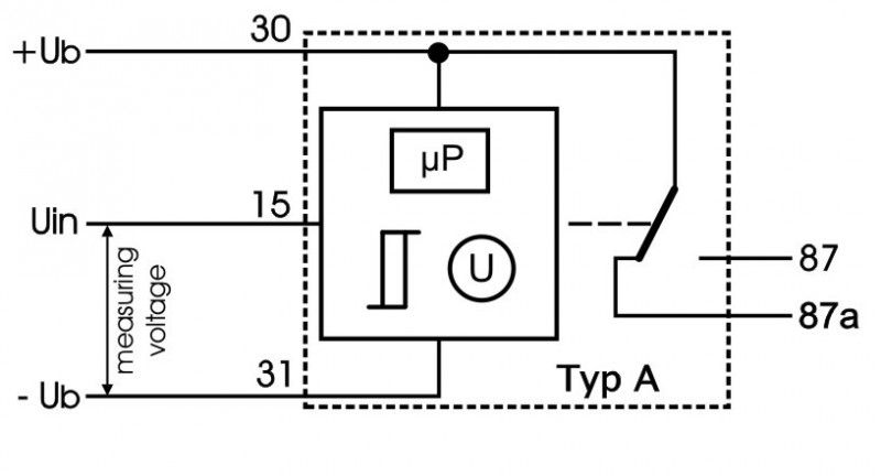
SPW.110.001.00 Kytkee 13,3V katkaisu 12,6V, 10sek viive
CARSIG www.carsig.com

Tuoteinfo

Jännitteen noustua 13,6V kytkee 10 sekunnin kuluttua, jännitteen pudottua 12,6V katkaisee 10 sekunnin kuluttua

Ominaisuudet